Npn Transistor And Arduino

Transistors Learn Sparkfun Com

Opto Isolated Transistor Drivers Microcontroller Interfacing
Resistor Values For P Channel Mosfet Npn Transistor Switch


Circuit Design Arduino Npn Transistor Dc Motor Tinkercad

Lab Using A Transistor To Control High Current Loads With

12v Motor Control With 5v Arduino And Npn Transistor As

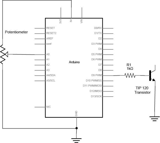
10x Tip120 Npn Bjt St Darlington Transistor To 220 For Arduino With Free Diodes

How To Connect Transistors Bjt And Mosfet With Arduino

Power 1a Led From Arduino Output

Arduino Driver Can I Use Only Pnp Arduino Stack Exchange

Question Can I Use 2 Arduino Pin For My Npn Transistor

Lab Using A Transistor To Control High Current Loads With

Using A Pnp Transistor With Arduino To Close A Circuit
How To Use Bjts Arduino Project Hub
Resistor Values For P Channel Mosfet Npn Transistor Switch
Comments
Post a Comment